行业新闻

蜘蛛车在使用前需要打开四条支腿吗?

蜘蛛车又称为自行走蜘蛛式高空作业车,不同于其他自行走式高空作业设备,蜘蛛车在进行高空作业的时候必须要打开4条支腿方可进行工作。惠和租赁今天来为大家讲解一下为什么需要打开。

(Platform Basket 30T的四条腿打开的两种情况)

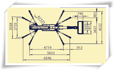
不同于其它自行式高空作业设备自身有保持平衡的配重铁,蜘蛛车在高空作业中保持稳定的要诀就是占地面积一定要大;在实际使用过程中,支腿有多种打开方向,根据蜘蛛车机身转向角度不同,工作幅度也不尽相同。以目前市场较多的Basket车型来说,PlatformBasket 27.14型的四条腿可以有4.00m× 4.57m和2.88m× 5.57m两种情况。而PlatformBasket 30就要大一些,撑开以后占地4.53m× 4.72m和2.73m× 6.55m,两种情况。

上一条:高空作业车租赁多少钱 下一条:租赁一台升降机升降平台升降台哪儿最便宜?
如果需要添加自身网站用户数据,则在再加上如下代码: